Change Language :

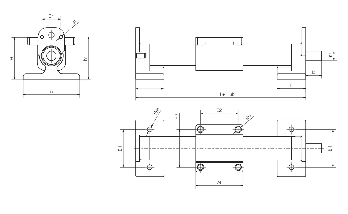
The linear unit for basic adjustment tasks is characterised by a simple but effective and solid design. A complete system is set up from just a few components. The outer anodised aluminium tube guides the guide carriage(s) and simultaneously protects the trapezoidal lead screw and lead screw nut from external influences. Carriage, torque support and trapezoidal lead screw nut are manufactured from a special high-performance polymer for plain bearings. This guarantees lubrication-free operation with a low coefficient of friction and optimal wear rates. iglidur® materials for plain bearings are also used in the lead screw's thrust bearings.
In person:
Monday to Friday from 7 am - 8 pm.
Saturdays from 8 am- 12 pm.
Online:
24h
WhatsApp-Service:
Montag – Freitag: 8 – 16 Uhr