Series 25 is available from stock in limited numbers. Product support and storage are limited as of 2012. For questions, please refer to your igus contact person. Thank you for your understanding
DISCONTINUED MODEL
For new designs, we recommend the improved e-chain® series 2500 from the igus® E2/000 product range.
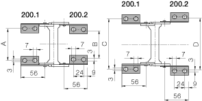
Secure support of the opening crossbars, improved opening mechanism, larger unsupported lengths, identical dimensions
to the E2/000 Series 2500
Here you can configure your e-chain system® individually. All entries and changes are taking over to the part list which is situated at the end of the page.